- 銷售一部:王經理
- 銷售電話:18672222488
- 銷售二部:劉經理
- 銷售電話:13451281322
- 銷售三部:王經理
- 銷售電話:13872882215
- 固定電話:0722-7029866
- 固話傳真:0722-3220988
- 微信公眾號:wxq18672222488
- 在線咨詢:18672222488

- 企業郵箱:clqcdy@163.com
湖北程力側裝后卸(壓縮)式掛桶垃圾車使用說明書
導讀:湖北程力掛桶垃圾車又名自裝卸式垃圾車主要用于各環衛市政及大型廠礦部門運載各種垃圾,亦可運輸灰、砂、石、土等散裝建筑材料,也可以在礦山或煤礦中運送礦石或…
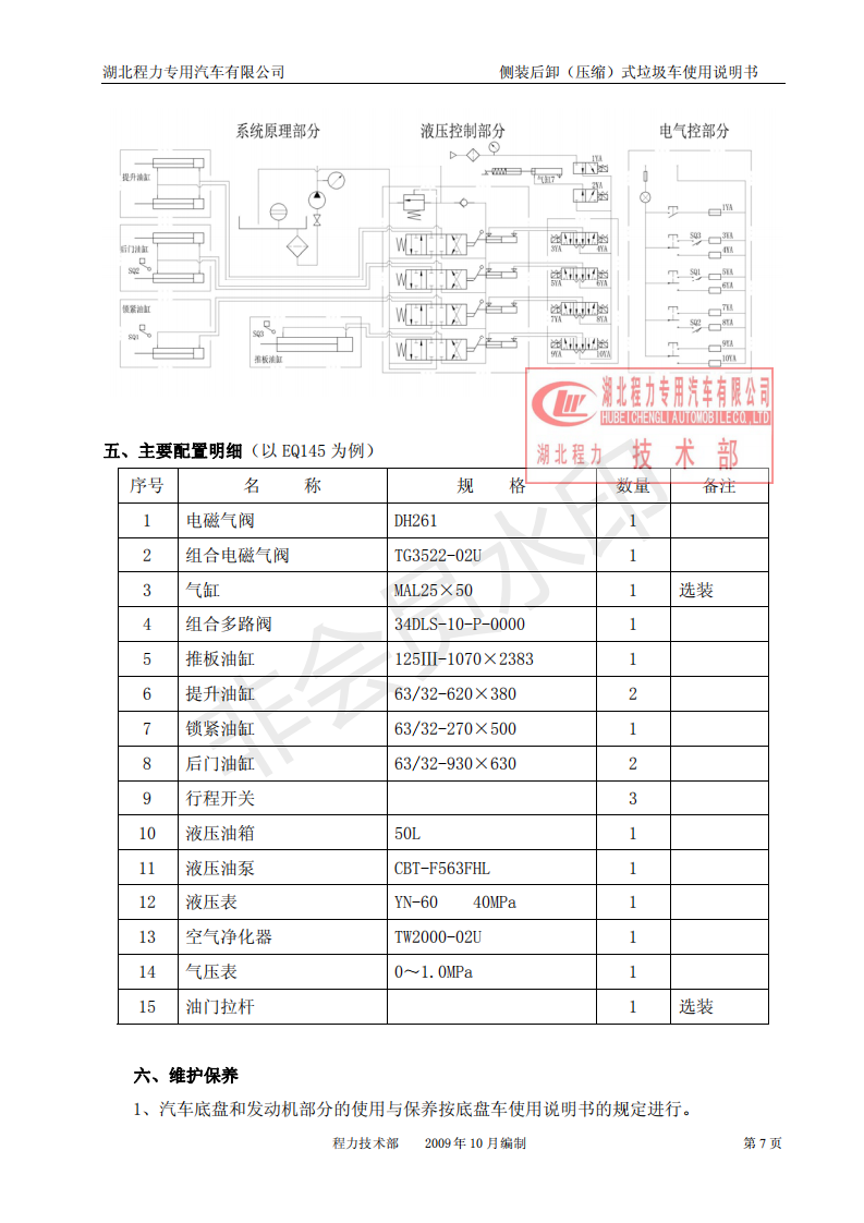
湖北程力掛桶垃圾車又名自裝卸式垃圾車主要用于各環衛市政及大型廠礦部門運載各種垃圾,亦可運輸灰、砂、石、土等散裝建筑材料,也可以在礦山或煤礦中運送礦石或煤。由密封式垃圾廂、液壓系統、操作系統組成。舉升油制缸(2支)垃圾廂可自吊上放下,上下一次工作循環時間≤50S。另外還可以改裝壓縮功能。湖北程力側裝后卸(壓縮)式掛桶垃圾車使用說明書:![]() ![]() ![]() ![]() ![]() ![]() ![]() ![]() ![]() ![]() |
上一篇:湖北程力車廂可卸式勾臂垃圾車使用說明書
下一篇:湖北程力集團2019年元旦放假通知











